Welcome! Join free or Sign In

X Email Mobile

Home > Products & Suppliers > Other Markets> 1 F > Yiwu> Yiwu Bayi Children's Toy Factory
cross-border creative wind-up chain simulation fighting beetle japanese rhinoceros beetle insect model children's observation educational toys 中文版
  • EXW Price: Min. order:
    ¥2.5
    ≥2/piece
    ¥2.25
    ≥384/piece
    ¥2.2
    ≥3840/piece
  • 2 piece
  • Weight 0.03 kg/piece
  • color
  • Specifications
    Specifications Stock Quantity
    three in one package [buy 3, buy 3, send a set]] ¥0.0 69762 piece available
    golden beetle (31g) ¥0.0 49817 piece available
    red beetle (31g) ¥0.0 54690 piece available
    green beetle (31g) ¥0.0 76390 piece available
    Summary 0 piece Subtotal:¥ 0 Selected ∧
Please select a product
Send Inquiry Chat with supplier

A new item has been added to your Shopping Cart. You now have items in your Shopping Cart.

Continue Shopping View Shopping Cart

Yiwu Bayi Children's Toy Factory 2yr.

Contacts:

KikiChat

Mobile:

86-15805894043

E-mail:

sales3@ywbayi.com

Click to Contact Yiwugo official customer service for International sourcing.

Yiwugo official customer service X

Whatsapp:

Email: yiwubuy@yiwugo.com

  • Description

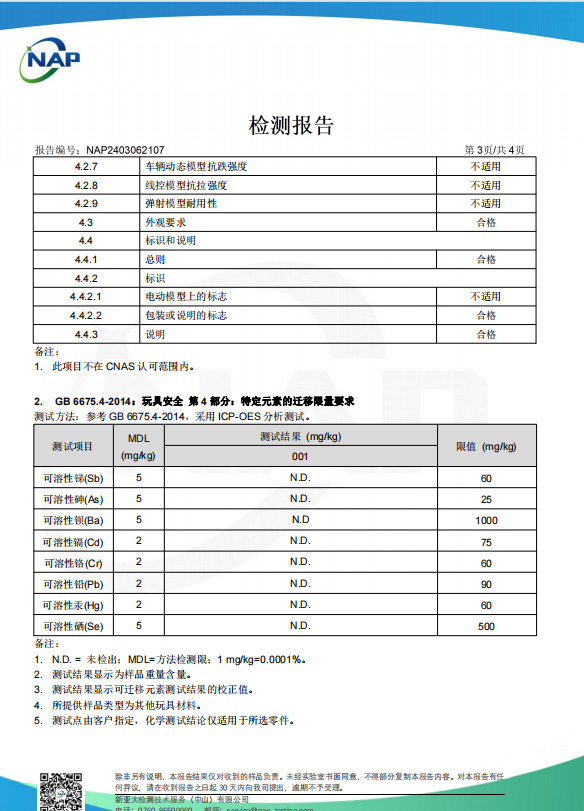
The packaging is in English.This product is exclusively for export trade, domestic sales customers please do not place orders! Certificates include EN71, CE.

Packed in 384 pieces, inspection report below.

    

Update time:20241125141729


Chat withX

Supplier> Sourcing Agent>
©2025 Yiwugo.com All rights reserved.
Finding high quality products in Yiwu China, Yiwu China Commodity Market (Yiwu wholesale market), the World's Largest Commodities Trading Center Online.
TEL: +86-579-81530000 FAX: 86-579-85188202 网站备案号:浙ICP备15028362号-7

TOP