Search history
Clear allSearch by image
XDrag and drop an image here or upload an image
Max 5MB per image
UploadSign In | Join
X Email Mobile
| vfd015m23a | ¥0.0 | 96 table available |
|
A new item has been added to your Shopping Cart. You now have items in your Shopping Cart.
Yiwu Gongbai International Trade Industrial Control Electrical Department 2yr.
Contacts:Huang TingChat
Mobile:86-13262727362
E-mail:


Application scope: wire winding machines, packaging machines, dumpling making machines, ice lolly machines, treadmills, food processing mixing machines, grinding machines, drilling machines, milling machines, woodworking machinery, coating machinery, fans, production lines, etc.
▲ Adapter Motor: 230V: 0.4KW-2.2KW。380V-460V: 0.75KW-7.5KW
Output frequency: 0.1~400Hz
▲ Settable V/F curve and vector control
The carrier frequency can reach 15kHz.
▲ Automatic Torque Enhancement and Automatic Slip Compensation Function
▲ Built-in PID feedback control
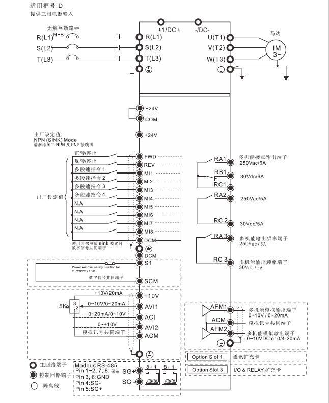
▲ Built-in Modbus (RS-485 baud rate up to 38400bps)
▲ Zero-speed Hold Function
▲ Sleep/Wake Function
▲ Supported Communication Modules: DN-02, LN-01, PD-01

Update time:
TOP