Search history
Clear allSearch by image
XDrag and drop an image here or upload an image
Max 5MB per image
UploadSign In | Join
X Email Mobile
| vfd075cp43b-21 | ¥0.0 | 99 table available |
|
A new item has been added to your Shopping Cart. You now have items in your Shopping Cart.
Yiwu Gongbai International Trade Industrial Control Electrical Department 2yr.
Contacts:Huang TingChat
Mobile:86-13262727362
E-mail:
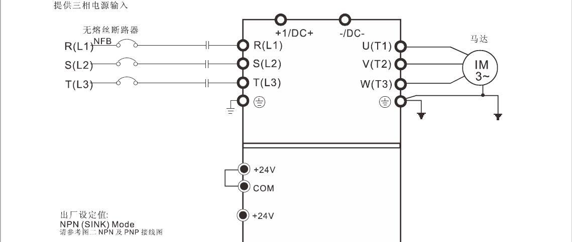
VFD-CP2000Special Vector Control Inverter for Fan and PumpThis series can enhance the response of the load torque, meeting the wide range of variable torque load requirements of customers. It can adjust the input voltage in time to improve the overall efficiency in a variable torque load environment. It provides appropriate operation and energy-saving solutions for the operation and protection of the variable torque load environment.
Application field:Spinning machines, extrusion machines, packaging, drawing machines and other industrial machinery accessories, as well as projects in the fields of air-conditioning, boilers, water treatment, etc.
Product Features:
1. Built-in PLC (10k steps)
2. Wide power range (0.75~400kW)
3. Wide power range (0.75~400kW)
4. High-speed communication interface with built-in Modbus and BACnet communication protocols, and can be equipped with Profibus-DP, DeviceNet, Modbus TCP, Ethernet-IP, and CANopen cards for diverse communication connections.
5. Long-life design and life detection of key components
6. PCB Coating Design, Enhancing Environmental Tolerance
7. The most ideal heat dissipation design, which can operate in a 50°C ambient temperature environment, automatically adjusts the output rated value to maintain the high efficiency of the inverter.








Update time:
TOP