Search history
Clear allSearch by image
XDrag and drop an image here or upload an image
Max 5MB per image
UploadSign In | Join
X Email Mobile
|
|
¥0.0 | 20 table available |
|
A new item has been added to your Shopping Cart. You now have items in your Shopping Cart.
Yiwu Gongbai International Trade Industrial Control Electrical Department 2yr.
Contacts:Huang TingChat
Mobile:86-13262727362
E-mail:TaiwanCommonly used products of the Dafeng variable-frequency converter:
VFD-ELSeries, MS300 series, MH300 series, C2000+ series, CP2000 series
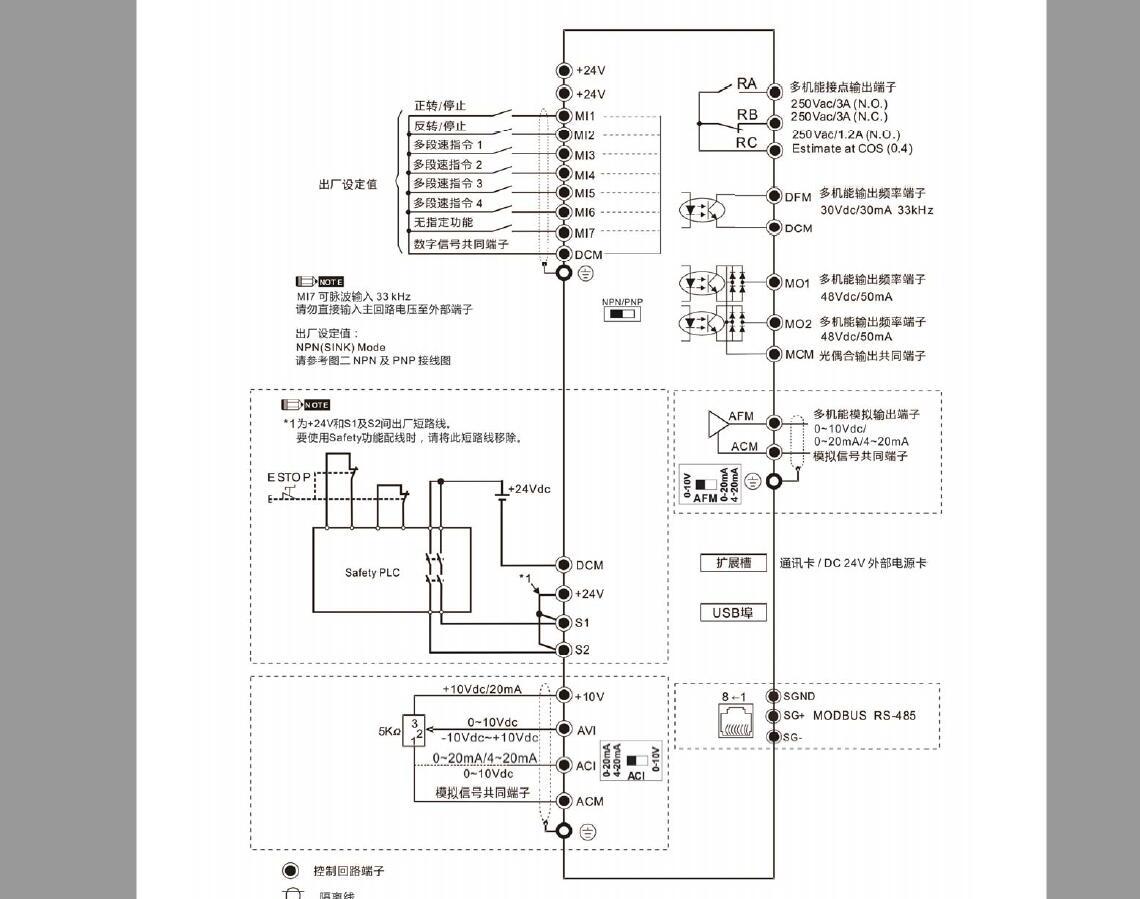
Delta Vector Control InverterMS300Series
Delta Tau Precision Standard Vector Control InverterMS300Series, compact in size, superior in performance, and easy to use, the new product launched by Delta is a response to the trend of functional diversification and intelligence, as well as the trend of smaller size in the field of inverter products. It meets the humanized and high-end application needs of customers and is widely used in fields such as machine tools, textile machines, woodworking machinery, packaging machines, fans, pumps, air compressors, rubber and plastic machinery, crane, etc.
Power range:220V/0.2KW—2.2KW"";380V(460V)0.4KW—22KW。
Output FrequencyRegular:0—500HzSpecial output: 0—1500Hz
Product Main Features:
Flexible space utilization:Brand new and compact design, the product is up to 50% smaller than existing Delta products.40 percentcan significantly improve the utilization of space.
Powerful application features:The entire series is equipped with built-in brake crystals and supports simplicity.Programmable Logic ControllerProgramming with multiple communication interfaces.
Outstanding driving performance:Supports inductive and permanent magnet motors, with excellent torque characteristics and braking capabilities.
Reliable reliability: Main parts life extended, full coating of circuit boards, significant improvement in reliability;
Stable system control:Built-in safety stop function, providing comprehensive solutions for instant power outage control;
Simple Installation Setup:Supports industrial applications, large-scale and rapid parameter replication, and lock-free screw terminal design.
Standard machineOptionalVoltage/FrequencyOrSVCControl, Maximum Operating Frequency599Hz。
High-speed machineOnlyVoltage/FrequencyOpen-loop control, maximum operating frequency1500Hz。






Update time:
TOP