Search history
Clear allSearch by image
XDrag and drop an image here or upload an image
Max 5MB per image
UploadSign In | Join
X Email Mobile
A new item has been added to your Shopping Cart. You now have items in your Shopping Cart.
Beijing Zhongping Technology Co., Ltd 5yr.
Contacts:Huang Ting Chat
Mobile:86-13811814778
E-mail:ht@gongboshi.com
Beijing Zhongping Technology Co., Ltd. is affiliated to the factory service provider doctor group and is a service-oriented enterprise engaged in industrial automation product sales and system integration. The company's main products include industrial control components, industrial robots, hydraulic components and other three industrial products. The brand of the products sold is mainly Europe, America, Japan and South Korea Taiwan brands, involving electric power, metallurgy, building materials, petrochemical, textile, engineering machinery, municipal engineering and other dozens of industries. The company has established long-term stable business cooperation relations with more than 300 upstream partners. In all fields of our service, the company solves problems for customers and friends with the business philosophy of keeping improving, from products, solutions to technical services.
Product Introduction
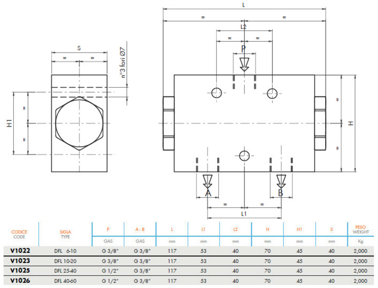
italy OM shunt flow-combining valve, referred to as synchronous valve, can be used for one divided into two hydraulic cylinder synchronization. This splite-flow valve can be selected when the synchronous shunt flow is not high, and the synchronization error is about 5%
DFL25-40 flow-rate range 25 ~ 40l/min rated pressure 250bar

for more product technical information, please contact our customer service staff, welcome to consult.
Purchase instructions:
please consult customer service to confirm the price and inventory quantity before purchasing.
Update time:
TOP